Укрытие защитное
Вариант 3

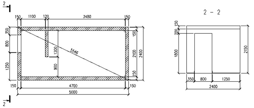
Чертеж изделия:
Характеристики изделия:
ПараметрЗначение
Длина5000 мм
Ширина2400 мм
Высота2150 мм
Масса15330 кг

Укрытие защитное железобетонное модульное марки Б-50-О.

Для укрытия до 18 человек.

Габаритные размеры сооружения:

-       наружный размер — 5000х2400х2150 мм;

-       внутренний размер — 4700х2100х2000 мм;

-       площадь пола 9,87 м2, внутренний объем 19,74 м3.