ЛТ 1

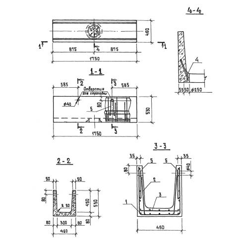
Чертеж изделия:
Характеристики изделия:
ПараметрЗначение
длина1750 мм
ширина460 мм
высота530 мм
вес425 кг
серияТП 902-2-356

ЛТ 1 Лотки  по проекту ТП 902-2-356.