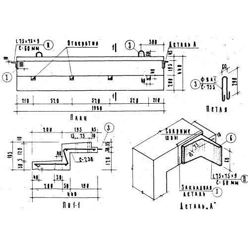
ЦО 1 цветочница

Чертеж изделия:
Характеристики изделия:
ПараметрЗначение
длина1980 мм
ширина440 мм
высота440 мм
масса145 кг
нормативный документСерия ИИ 03-02

ЦО 1  Цветочницы по Серии ИИ 03-02.