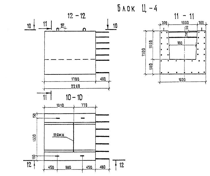
Ц-4

Чертеж изделия:
Характеристики изделия:
ПараметрЗначение
длина2260 мм
ширина1600 мм
высота1500 мм
масса6500 кг
нормативный документСерия 3.503-23

Ц-4  Блоки цокольной части Серия 3.503-23.