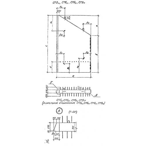
СТ 6 стенка

Чертеж изделия:
Характеристики изделия:
ПараметрЗначение
длина2280 мм
ширина3950 мм
высота300 мм
масса5600 кг
нормативный документСерия 3.501.1-179.94

СТ 6 Откосные стенки по Серии 3.501.1-179.94.