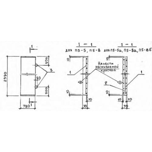
П 5

Чертеж изделия:
Характеристики изделия:
ПараметрЗначение
длина2990 мм
ширина780 мм
высота70 мм
вес410 кг
серия3.006-2

П 5 Плиты перекрытия лотков по серии 3.006-2.