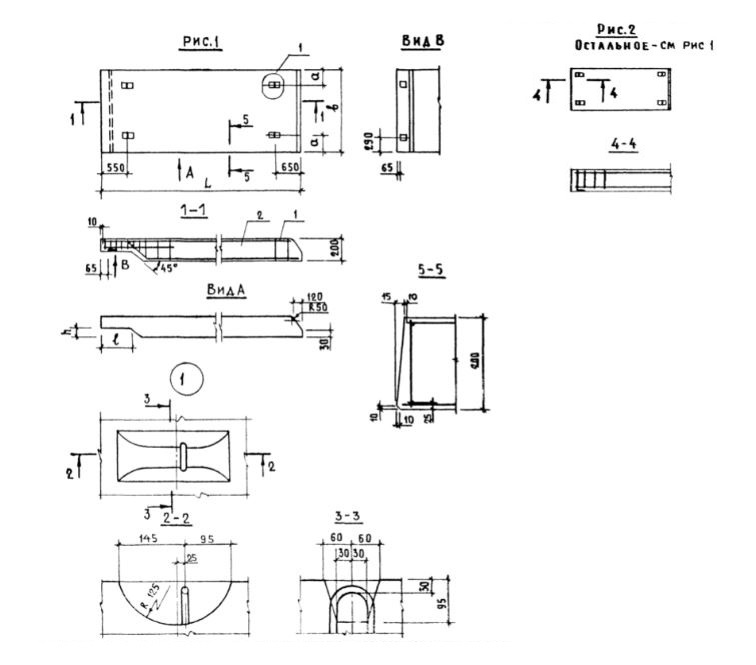
ПРТ 60.18.20

Чертеж изделия:
Характеристики изделия:
ПараметрЗначение
длина5980 мм
ширина1780 мм
высота200 мм
масса2900 кг
нормативный документСерия 1.165.1-12

ПРТ 60.18.20   Плиты покрытия плоские для зданий с теплым чердаком Серия 1.165.1-12.