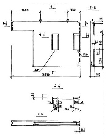
ПСВ 58-27-16-150т-1.4.2л
Характеристики изделия:
| Параметр | Значение |
|---|---|
| длина | 5830 мм |
| ширина | 160 мм |
| высота | 2650 мм |
| масса | 4870 кг |
| нормативный документ | Серия 1.131.1-23 |
Цена:
Рассчитать стоимостьСерия 1.131.1-23
ПСВ - Панель стеновая внутренняя.
58 - длина (в дм);
27 - высота (в дм);
16 - толщина (в мм);
150 т - марка и вид бетона (из тяжелого бетона (т) марки по прочности на сжатие М150);
1,4,2 - индексы, характеризующие положение панелей в плане здания и их конструктивные особенности ( 1-панели поперечных стен или панели продольных стен, примыкающих к торцу здания; 4 - панель лестничной клетки, 2 - ширина проёма 1380 мм).
Марки панелей лестничной клетки с расположением ниш СПРАВА (при взгляде со стороны ниш) имеют буквенный индекс "л".