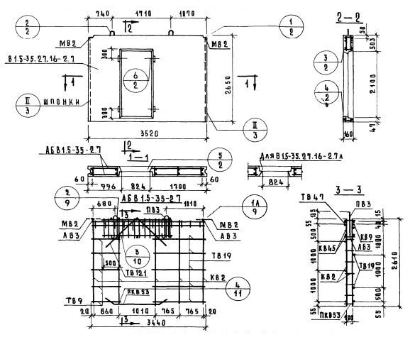
В1.5-35.27.16-2.7л

Чертеж изделия:
Характеристики изделия:
ПараметрЗначение
длина3520 мм
ширина160 мм
высота2650 мм
масса3030 кг
нормативный документСерия 1.131-1

В1.5-35.27.16-2.7л    Внутренние стеновые панели   (Серия 1.131-1).