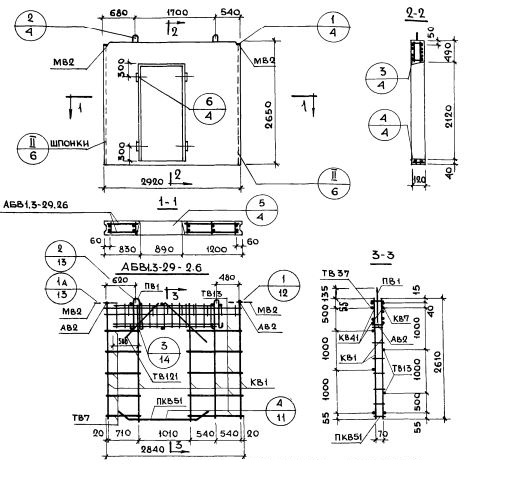
В1.3-29.27.12-2.6
Характеристики изделия:
| Параметр | Значение |
|---|---|
| длина | 2920 мм |
| ширина | 120 мм |
| высота | 2650 мм |
| масса | 1740 кг |
| нормативный документ | Серия 1.131-1 |
Цена:
Рассчитать стоимостьВ1.3-29.27.12-2.6 Внутренние стеновые панели (Серия 1.131-1).
| Параметр | Значение |
|---|---|
| длина | 2920 мм |
| ширина | 120 мм |
| высота | 2650 мм |
| масса | 1740 кг |
| нормативный документ | Серия 1.131-1 |
В1.3-29.27.12-2.6 Внутренние стеновые панели (Серия 1.131-1).
