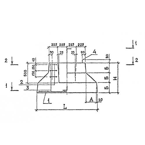
1Ф 15.9 фундаменты колонн

Чертеж изделия:
Характеристики изделия:
ПараметрЗначение
длина1500 мм
ширина1500 мм
высота900 мм
масса3000 кг
нормативный документСерия 1.020.1-7

1Ф 15.9 Фундамент цельный под колонну Серия 1.020.1-7.