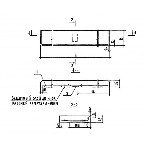
ПОГ 22.35 плиты подоконные

Чертеж изделия:
Характеристики изделия:
ПараметрЗначение
длина2200 мм
ширина350 мм
высота45 мм
масса87 кг
нормативный документГОСТ 26919-86

ПОГ 22.35  Плиты подоконные, обладают глянцевой наружностью,  изготавливаются на основе белого либо цветного цемента, ГОСТ 26919-86.